Фланец для сварки раструбов меняет представление о соединениях трубопроводов высокого давления, объединяя превосходную прочность с бесшовной гидродинамикой и обеспечивая непревзойденную производительность в компактных приложениях с высокими ставками. Этот фланец, предназначенный для труб малого диаметра, использует конфигурацию сварки раструбом, которая инкапсулирует сварное соединение внутри самого фланца, устраняя внешние выступы сварного шва и сводя к минимуму сопротивление потоку —важнейшее преимущество в системах, где снижение турбулентности и гигиена имеют первостепенное значение. Скрытый сварной шов не только упрощает очистку и проверку в стерильных средах, таких как фармацевтические или пищевые заводы, но также повышает структурную целостность, противодействуя вибрации и скачкам давления на нефтегазоперерабатывающих заводах, химических реакторах или паропроводах высокого давления. Изготовленный с высокой точностью из кованой углеродистой или нержавеющей стали, он сочетает в себе коррозионную стойкость с исключительной прочностью на разрыв, обеспечивая герметичность даже при экстремальных температурах и давлениях.
| Диапазон диаметров | DN15(1/2")-DN150(6") |
| Номинальное давление | 1,6-16 МПа |
| Сертификат | PED, AD2000, EAC, ABS, BV, DNV, NORSOK M650, ISO9001, ISO14001, ISO45001 и т. д. |
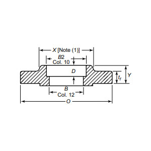
| Описание функций | Сварное соединение с раструбом, Скрытая конструкция сварного шва снижает сопротивление потоку, Оптимизировано для применения под высоким давлением малого диаметра, Превосходные характеристики уплотнения |
| Области применения | Применяется для фланцевых соединений труб на дальних нефте- и газопроводах, морских платформах, химическом оборудовании, системах очистки воды, а также в пищевой и фармацевтической промышленности, адаптированных к сложным условиям эксплуатации. |
| Упаковка | Морская упаковка, фанерные ящики или поддоны или по требованию заказчика |
| Рекомендуемые продукты | 1. Минимальный заказ небольшой партии; |
Компактная конструкция упрощает установку в ограниченном пространстве, а прочное соединение выдерживает циклическое тепловое расширение, что делает его идеальным для морских платформ, турбин электростанций и гидравлических систем. Устраняя потенциальные слабые места и сокращая циклы технического обслуживания, этот фланец позволяет отраслям уделять приоритетное внимание безопасности без ущерба для эффективности. Благодаря соблюдению стандартов ASME B16.5 и строгому неразрушающему контролю он гарантирует надежность в критически важных операциях. Для инженеров, ищущих компактное решение высокого давления, сочетающее долговечность с оптимизацией жидкости, фланец для сварки враструб является лучшим выбором. Поднимите свою инфраструктуру на новый уровень уже сегодня с помощью наших прецизионных фланцев—, где инновации сочетаются с устойчивостью, позволяя вашим системам работать с точностью, безопасностью и непоколебимой уверенностью. Выбирайте совершенство, выбирайте выносливость и трансформируйте потенциал своего трубопровода.
От сырья до конечной поставки мы осуществляем строгий контроль на каждом этапе,чтобы гарантировать долговечность, производительность и постоянство.
01
02
03
04
05
06
07
08
09
10
11
12
Наша компания является профессиональным производителем компонентов напорных трубопроводов. Ассортимент нашей продукции охватывает фитинги для труб со стыковой сваркой, раструбной сваркой и резьбовые фитинги, включая фланцы и нестандартные детали по индивидуальному заказу. Эти продукты широко используются в таких отраслях, как нефтегазовая, химическая переработка, энергетика, судостроение, производство бумаги, металлургия, фармацевтика и пищевая промышленность. Мы производим продукцию в соответствии с такими стандартами,как ASME,EN, JIS,DIN, ANSI,GOST, MSS,GB/T,HG, DL,SH, SY,и имеем полный спектр инспекционного оборудования, строгую систему контроля качества и различные сертификаты (PED, AD2000, EAC, ABS, BV, DNV, NORSOK M650, ISO9001, ISO14001, ISO45001 и т. д.), что делает нас лидером в отрасли.
