Свободно вращающийся фланец меняет представление о гибкости трубопроводных систем, предлагая динамичное решение для управления напряжениями теплового расширения и сжатия, обеспечивая при этом беспроблемный демонтаж в условиях низкого давления. Сочетание прочного фланцевого кольца с поворотным фланцевым компонентом обеспечивает контролируемое осевое перемещение трубопроводов, эффективно компенсируя температурные сдвиги без ущерба для структурной целостности. Доступный в двух конфигурациях — тип кольца под стыковую сварку (PJ/SE) для высокоточных сварных соединений и тип кольца с плоским сварным швом (PJ/RJ) для упрощенного монтажа — он отвечает различным эксплуатационным требованиям, сохраняя при этом герметичность. Изготовленный из высококачественной углеродистой или нержавеющей стали, фланец устойчив к коррозии и механическому износу, обеспечивая надежность в таких отраслях, как химическая переработка, водоподготовка и производство продуктов питания, где частое техническое обслуживание или модернизация оборудования являются обычным делом.
|
Диаметр |
DN50(2")-DN2000(80") |
|
Давление |
0,6-2,5 МПа |
|
Сертификат |
PED, AD2000, EAC, ABS, BV, DNV, NORSOK M650, ISO9001, ISO14001, ISO45001 и т. д. |
|
Описание функций |
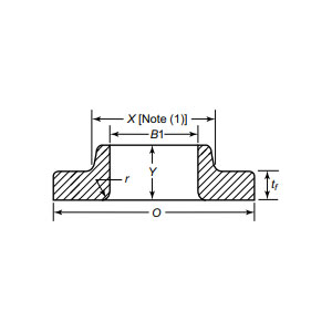
В сочетании с фланцевым кольцом и отбортовкой обеспечивает осевое смещение трубопровода и снижает напряжение теплового расширения. Типы: стыковое сварочное кольцо (PJ/SE) и плоское сварочное кольцо (PJ/RJ). Подходит для трубопроводов низкого давления, требующих частой разборки. |
|
Области применения |
Применяется для фланцевых соединений труб на дальних нефте- и газопроводах, морских платформах, химическом оборудовании, системах очистки воды, а также в пищевой и фармацевтической промышленности, адаптированных к сложным условиям эксплуатации. |
|
Упаковка |
Морская упаковка,фанерные ящики или поддоны или по требованию заказчика |
|
Рекомендуемые продукты |
1. Минимальный заказ небольшой партии; |
Его поворотный механизм упрощает выравнивание при сборке, снижая трудозатраты и время простоя в таких системах, как гидравлическое оборудование, сети отопления, вентиляции и кондиционирования воздуха (ОВКВ) или модульные промышленные установки. Изолируя движение фланца от напряжений в трубопроводе, он продлевает срок службы прокладок и болтов, снижая долгосрочные расходы на замену. От морских платформ, требующих термокомпенсации, до фармацевтических заводов, которым требуются стерильные, легкоочищаемые соединения, Свободно вращающийся фланец обеспечивает соответствие стандартам ASME и EN, адаптируясь к меняющимся эксплуатационным требованиям. Подтвержденный строгими испытаниями и универсальной совместимостью, он позволяет инженерам проектировать надежную, готовую к будущему инфраструктуру. Модернизируйте свои трубопроводные системы уже сегодня с помощью наших Свободно вращающихся фланцев — где точность проектирования сочетается с адаптивной прочностью, позволяя вашим предприятиям процветать в динамичных условиях. Выбирайте гибкость, выбирайте долговечность и открывайте новую эру эффективности.
От сырья до конечной поставки мы осуществляем строгий контроль на каждом этапе,чтобы гарантировать долговечность, производительность и постоянство.
01
02
03
04
05
06
07
08
09
10
11
12
Наша компания является профессиональным производителем компонентов напорных трубопроводов. Ассортимент нашей продукции охватывает фитинги для труб со стыковой сваркой, раструбной сваркой и резьбовые фитинги, включая фланцы и нестандартные детали по индивидуальному заказу. Эти продукты широко используются в таких отраслях, как нефтегазовая, химическая переработка, энергетика, судостроение, производство бумаги, металлургия, фармацевтика и пищевая промышленность. Мы производим продукцию в соответствии с такими стандартами,как ASME,EN, JIS,DIN, ANSI,GOST, MSS,GB/T,HG, DL,SH, SY,и имеем полный спектр инспекционного оборудования, строгую систему контроля качества и различные сертификаты (PED, AD2000, EAC, ABS, BV, DNV, NORSOK M650, ISO9001, ISO14001, ISO45001 и т. д.), что делает нас лидером в отрасли.
