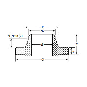
Фланец сварной горловины представляет собой идеальное решение для сред высокого давления и высоких температур, спроектированное для обеспечения непревзойденной надежности благодаря прочному стыковому сварному соединению и прецизионной уплотнительной поверхности. Разработанный для критически важных применений, этот фланец легко интегрируется с трубопроводами посредством сквозного стыкового сварного шва, создавая монолитную конструкцию, выдерживающую экстремальные давления, тепловые колебания и механические нагрузки—, что делает его незаменимым на нефтеперерабатывающих заводах, нефтехимических заводах и в атомных энергетических системах. Коническая конструкция горловины не только укрепляет структурную целостность, но и минимизирует концентрацию напряжений, обеспечивая длительную работу в сложных условиях. Производственный процесс —охватывающий передовую ковку, термообработку для снятия напряжений, прецизионную отделку, строгий неразрушающий контроль (NDT) и антикоррозионную обработку поверхности— гарантирует компонент, который превосходит отраслевые стандарты безопасности и долговечности.
| Диаметр | DN15(1/2")-DN3500(138") |
| Давление | 0,25-25 МПа |
| Сертификат | PED, AD2000, EAC, ABS, BV, DNV, NORSOK M650, ISO9001, ISO14001, ISO45001 и т. д. |
| Описание функций | Стыковое сварное соединение обеспечивает высокопрочное уплотнение для применений под высоким давлением (HP) и высокой температурой (HT), гарантируя герметичность в экстремальных условиях |
| Области применения | Применяется для фланцевых соединений труб на дальних нефте- и газопроводах, морских платформах, химическом оборудовании, системах очистки воды, а также в пищевой и фармацевтической промышленности, адаптированных к сложным условиям эксплуатации. |
| Упаковка | Морская упаковка, фанерные ящики или поддоны или по требованию заказчика |
| Рекомендуемые продукты | 1. Минимальный заказ небольшой партии; |
От подводных трубопроводов, выдерживающих коррозионную морскую воду, до паровых турбин, работающих при палящих температурах, фланец сварной горловины обеспечивает герметичное уплотнение и непрерывность работы. Отрасли, требующие бескомпромиссного качества, такие как аэрокосмические жидкостные системы или криогенные хранилища, полагаются на их способность сохранять целостность при циклических нагрузках и воздействии жестких сред. Благодаря сочетанию превосходной упругости материала с точностью проектирования этот фланец снижает затраты на жизненный цикл за счет минимизации простоев и технического обслуживания. Для инженеров, которым поручено защищать инфраструктуру с высокими ставками, фланец сварной горловины является окончательным выбором. Повысьте производительность вашей системы уже сегодня с помощью наших высококачественных фланцев с приварной горловиной—, где передовое производство сочетается с устойчивостью промышленного уровня, позволяя вашим операциям преодолевать экстремальные нагрузки давления, температуры и времени. Выбирайте совершенство, выбирайте выносливость и создавайте перспективную основу для своих критически важных систем.
От сырья до конечной поставки мы осуществляем строгий контроль на каждом этапе,чтобы гарантировать долговечность, производительность и постоянство.
01
02
03
04
05
06
07
08
09
10
11
12
Наша компания является профессиональным производителем компонентов напорных трубопроводов. Ассортимент нашей продукции охватывает фитинги для труб со стыковой сваркой, раструбной сваркой и резьбовые фитинги, включая фланцы и нестандартные детали по индивидуальному заказу. Эти продукты широко используются в таких отраслях, как нефтегазовая, химическая переработка, энергетика, судостроение, производство бумаги, металлургия, фармацевтика и пищевая промышленность. Мы производим продукцию в соответствии с такими стандартами,как ASME,EN, JIS,DIN, ANSI,GOST, MSS,GB/T,HG, DL,SH, SY,и имеем полный спектр инспекционного оборудования, строгую систему контроля качества и различные сертификаты (PED, AD2000, EAC, ABS, BV, DNV, NORSOK M650, ISO9001, ISO14001, ISO45001 и т. д.), что делает нас лидером в отрасли.
