Резьбовой фланец производит революцию в области соединения трубопроводов, предлагая надежное решение без сварки для соединения резьбовых труб, что делает его идеальным выбором для сред, где безопасность и адаптивность не подлежат обсуждению. Этот фланец, оснащенный точной внутренней резьбой, легко интегрируется с трубами из оцинкованной стали или системами, где сварка запрещена —например, в легковоспламеняющихся, взрывоопасных или высокочувствительных промышленных условиях. Его инновационная конструкция исключает опасность возгорания, связанную со сваркой, обеспечивая соблюдение строгих протоколов безопасности и одновременно обеспечивая прочное, герметичное уплотнение, выдерживающее требования высокого давления. Резьбовое соединение обеспечивает быструю установку и разборку, позволяя бригадам технического обслуживания устранять неполадки или модернизировать системы без специализированного оборудования, сокращая время простоя на критически важных операциях, таких как химическая переработка, распределение нефти и газа или фармацевтическое производство.
| Размер | DN15(1/2")-DN600(24") |
| Номинальное давление | 0,6-4,0 МПа |
| Диапазон температур | -45℃ до 260℃ |
| Сертификат | PED,AD2000,EAC,ABS,BV,DNV,NORSOK M650, ISO9001,ISO14001,ISO45001 и т. д. |
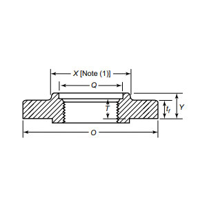
| Описание функций | Резьбовой фланец соединяется с резьбовой трубой посредством внутренней трубной резьбы, что исключает необходимость сварки. Идеально подходит для оцинкованных стальных труб или ограниченных условий сварки (легковоспламеняющихся/взрывоопасных). Отличается простотой установки и гибкостью обслуживания, особенно подходит для легированной стали и других материалов с плохой свариваемостью. |
| Области применения | Применяется для фланцевых соединений труб на дальних нефте- и газопроводах, морских платформах, химическом оборудовании, системах очистки воды, а также в пищевой и фармацевтической промышленности, адаптированных к сложным условиям эксплуатации. |
| Упаковка | Морская упаковка, фанерные ящики или поддоны или по требованию заказчика |
| Рекомендуемые продукты | 1. Минимальный заказ небольшой партии; |
Идеально подходит для материалов, подверженных проблемам сварки, таких как легированная сталь. Резьбовой фланец сохраняет целостность материала, избегая хрупкости или деформации, вызванных нагревом. Его коррозионностойкая конструкция, доступная из углеродистой или нержавеющей стали, обеспечивает долговечность даже в суровых условиях: от морских буровых платформ до систем канализации пищевого качества. Благодаря строгому соблюдению мировых стандартов этот фланец гарантирует надежность в сложных условиях, включая гидравлические системы, криогенные трубопроводы и перекачку горючих жидкостей. Для отраслей, в которых приоритет отдается безопасности, эффективности и экономичному техническому обслуживанию, резьбовой фланец является революционным решением. Поднимите свою инфраструктуру на новый уровень уже сегодня с помощью наших высококачественных резьбовых фланцев, где инновации сочетаются с бескомпромиссной безопасностью, позволяя вашим системам безупречно работать в самых сложных условиях. Выбирайте уверенность, выбирайте долговечность и переопределяйте потенциал своего трубопровода.
От сырья до конечной поставки мы осуществляем строгий контроль на каждом этапе,чтобы гарантировать долговечность, производительность и постоянство.
01
02
03
04
05
06
07
08
09
10
11
12
Наша компания является профессиональным производителем компонентов напорных трубопроводов. Ассортимент нашей продукции охватывает фитинги для труб со стыковой сваркой, раструбной сваркой и резьбовые фитинги, включая фланцы и нестандартные детали по индивидуальному заказу. Эти продукты широко используются в таких отраслях, как нефтегазовая, химическая переработка, энергетика, судостроение, производство бумаги, металлургия, фармацевтика и пищевая промышленность. Мы производим продукцию в соответствии с такими стандартами,как ASME,EN, JIS,DIN, ANSI,GOST, MSS,GB/T,HG, DL,SH, SY,и имеем полный спектр инспекционного оборудования, строгую систему контроля качества и различные сертификаты (PED, AD2000, EAC, ABS, BV, DNV, NORSOK M650, ISO9001, ISO14001, ISO45001 и т. д.), что делает нас лидером в отрасли.
