Заглушка для стыковой сварки — универсальное решение для современных трубопроводных систем, сочетающее в себе надежную работу и непревзойденную гибкость монтажа. Разработанный для завершения трубопроводов, обеспечивая при этом легкое соединение с фланцами или другими компонентами, он упрощает техническое обслуживание, сокращает время простоя и обеспечивает герметичность даже в условиях высокого давления и коррозии. Его прецизионная сварная горловина обеспечивает плавный переход между трубами и фланцами, устраняя слабые места и обеспечивая длительную долговечность в самых сложных условиях. В таких промышленных применениях, как химическая переработка, нефтегазовая промышленность и производство электроэнергии, заглушка для стыковой сварки отлично справляется с абразивными средами, экстремальными температурами и колебаниями давления, сводя к минимуму риск дорогостоящих утечек или отказов.
| Размер | DN15(1/2")-DN1200(48") |
| Толщина стенки | Sch5S-Sch160 |
| Тип | Бесшовный/сварной |
| Сертификат | PED, AD2000, EAC, ABS, BV, DNV, NORSOK M650, ISO9001, ISO14001, ISO45001 и т. д. |
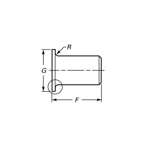
| Введение в функцию | Заглушка представляет собой трубный фитинг, который посредством штамповки или сварки формирует край устья трубы в вертикальный край по определенной кривой. В основном он используется для соединения труб с фланцами, клапанами или другими трубопроводными фитингами для повышения герметичности и прочности конструкции. Его конструкция заменяет сложные процессы волочения, оптимизирует пластическую текучесть материала, предотвращает растрескивание и образование складок, сокращает этапы обработки и экономит материалы. Он особенно подходит для систем подачи жидкости высокого давления, устойчивых к коррозии или прецизионных систем. |
| Области применения | Широко используется в соединениях трубопроводных систем в области нефтехимии, транспортировки природного газа, электроэнергетики, судостроения и коммунального строительства, подходит для сред с высоким давлением, высокой температурой и агрессивными средами. |
| Упаковка | Морская упаковка,фанерные ящики или поддоны или по требованию заказчика |
| Рекомендуемые продукты | 1. Минимальный заказ небольшой партии; |
Муниципальные системы водоснабжения и водоотведения выигрывают от использования коррозионно-стойких материалов —таких как нержавеющая сталь или дуплексные сплавы—, которые обеспечивают десятилетия надежной работы и соответствуют строгим стандартам безопасности и гигиены. Пищевая и фармацевтическая промышленность использует гладкую конструкцию без щелей для поддержания санитарных условий и предотвращения загрязнения. Обеспечивая быструю разборку и повторную сборку, этот компонент снижает затраты на рабочую силу и эксплуатационные сбои во время проверок или ремонта. Выбор заглушки для стыковой сварки означает инвестирование в готовую к будущему инфраструктуру, которая сочетает в себе прочность, адаптивность и экономическую эффективность. Сотрудничайте с нами, чтобы произвести революцию в ваших трубопроводных системах —спроектированных для эффективной работы и долговечных. Свяжитесь с нашими экспертами сегодня и узнайте, как этот важнейший компонент может поднять ваши проекты до новых стандартов совершенства. Действуйте сейчас, чтобы обеспечить решение, сочетающее в себе инновации, надежность и легкую масштабируемость!
От сырья до конечной поставки мы осуществляем строгий контроль на каждом этапе,чтобы гарантировать долговечность, производительность и постоянство.
01
02
03
04
05
06
07
08
09
10
11
12
13
14
15
Наша компания является профессиональным производителем компонентов напорных трубопроводов. Ассортимент нашей продукции охватывает фитинги для труб со стыковой сваркой, раструбной сваркой и резьбовые фитинги, включая фланцы и нестандартные детали по индивидуальному заказу. Эти продукты широко используются в таких отраслях, как нефтегазовая, химическая переработка, энергетика, судостроение, производство бумаги, металлургия, фармацевтика и пищевая промышленность. Мы производим продукцию в соответствии с такими стандартами,как ASME,EN, JIS,DIN, ANSI,GOST, MSS,GB/T,HG, DL,SH, SY,и имеем полный спектр инспекционного оборудования, строгую систему контроля качества и различные сертификаты (PED, AD2000, EAC, ABS, BV, DNV, NORSOK M650, ISO9001, ISO14001, ISO45001 и т. д.), что делает нас лидером в отрасли.
